
Dlaczego pompa ciepła słabo grzeje? Oto najczęstsze przyczyny i rozwiązania
Dowiedz się, dlaczego pompa ciepła słabo grzeje i jakie są najczęstsze przyczyny tego problemu. Sprawdź skuteczne rozwiązania, aby poprawić jej wydajność.

Dowiedz się, dlaczego pompa ciepła słabo grzeje i jakie są najczęstsze przyczyny tego problemu. Sprawdź skuteczne rozwiązania, aby poprawić jej wydajność.

Ile kosztuje pompa ciepła? Sprawdź ceny różnych typów pomp ciepła i dowiedz się, jak możesz zaoszczędzić na ogrzewaniu swojego domu.

Czy do pompy ciepła potrzebny jest komin? Dowiedz się, dlaczego pompy ciepła nie wymagają kominów i jakie są zalety ogrzewania bezkominowego.

Czy pompa ciepła nadaje się do grzejników? Dowiedz się, jakie grzejniki najlepiej współpracują z pompą ciepła i jak zwiększyć efektywność systemu grzewczego.

Poznaj, co to jest TBH w pompie ciepła i jak wpływa na jej działanie. Dowiedz się, jak grzałka elektryczna zwiększa efektywność i zabezpiecza system.

Czy do pompy ciepła potrzebna jest siła? Dowiedz się, jak działa pompa ciepła, jakie ma zapotrzebowanie na moc i jak wybrać najlepsze rozwiązanie.

Wybierz odpowiednią pompę ciepła dla swojego domu. Sprawdź, czy lepsza będzie pompa ciepła jednofazowa czy trójfazowa, aby zaspokoić swoje potrzeby energetyczne.

Zrozum schemat instalacji co z pompą ciepła i uniknij kosztownych błędów. Dowiedz się, jak efektywnie zaprojektować system grzewczy i oszczędzać energię.

Zastanawiasz się, jaką odległość powinna mieć pompa ciepła od granicy działki? Sprawdź przepisy, aby uniknąć problemów z sąsiadami i cieszyć się komfortem.

Porównaj koszty i efektywność pompy ciepła gruntowej czy powietrznej. Wybierz najlepsze rozwiązanie dla swojego domu i oszczędzaj na eksploatacji.

Wybierz odpowiedni kabel do pompy ciepła 9 kW. Poznaj kluczowe informacje, specyfikacje i najlepsze praktyki, aby zapewnić efektywność systemu.

Zastanawiasz się, jaki fundament pod pompę ciepła wybrać? Sprawdź kluczowe błędy, których unikniesz, aby zapewnić stabilność i trwałość instalacji.

Wybierz odpowiedni agregat do pompy ciepła 12 kW, aby zapewnić stabilność i efektywność systemu. Sprawdź nasze rekomendacje i uniknij błędów!

Zastanawiasz się, jaka moc fotowoltaiki do pompy ciepła jest optymalna? Sprawdź nasze wskazówki, aby uniknąć kosztownych błędów i zwiększyć efektywność!

Zastanawiasz się, jaka jest żywotność pompy ciepła? Sprawdź, co wpływa na trwałość tych urządzeń i jak maksymalizować ich efektywność.

Zbuduj własną pompę ciepła z lodówki i zaoszczędź na ogrzewaniu. Sprawdź, jak wykorzystać lodówkę do efektywnego systemu grzewczego.

Dowiedz się, jak ustawić pompę ciepła Galmet, aby działała efektywnie. Uniknij najczęstszych błędów i ciesz się optymalnym działaniem swojego systemu grzewczego.

Zabezpiecz swoją pompę ciepła przed kradzieżą. Sprawdź skuteczne metody, takie jak ubezpieczenie, systemy alarmowe i monitoring wideo.

Dowiedz się, jak ustawić grzejniki przy pompie ciepła, aby uniknąć problemów z ogrzewaniem i zapewnić komfort cieplny w Twoim domu.

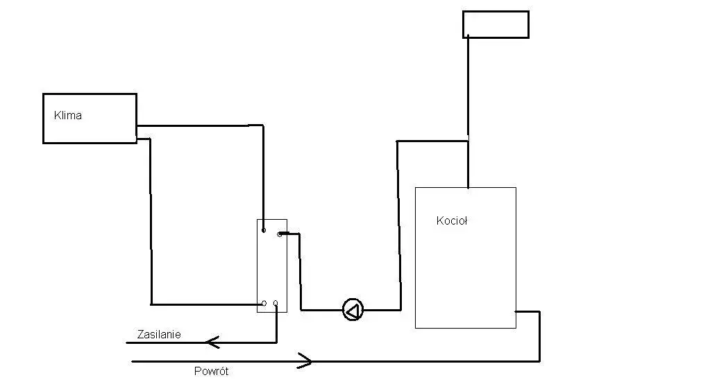
Dowiedz się, jak podłączyć pompę ciepła z piecem węglowym, aby obniżyć koszty ogrzewania i zwiększyć efektywność energetyczną swojego domu.

Obliczanie COP pompy ciepła jest kluczowe dla jej efektywności. Dowiedz się, jak obliczyć COP i zwiększyć wydajność swojego systemu grzewczego.

Zrozum, jak działa pompa ciepła w domu i jakie ma zalety. Dowiedz się, jak efektywnie wykorzystać to ekologiczne rozwiązanie grzewcze.

Ile prądu zużywa pompa ciepła Panasonic 9 kW? Sprawdź, jakie są realne koszty eksploatacji i jak zoptymalizować zużycie energii w swoim domu.

Dowiedz się, ile trwa montaż pompy ciepła i co wpływa na czas instalacji. Poznaj rodzaje pomp oraz kluczowe czynniki, które mogą przyspieszyć proces.

Ile prądu zużywa pompa ciepła 12 kW? Sprawdź, jak jej efektywność i koszty eksploatacji wpływają na Twoje wydatki na ogrzewanie.