
Zrozum schemat instalacji co z pompą ciepła i uniknij kosztownych błędów. Dowiedz się, jak efektywnie zaprojektować system grzewczy i oszczędzać energię.

Zrozum schemat instalacji co z pompą ciepła i uniknij kosztownych błędów. Dowiedz się, jak efektywnie zaprojektować system grzewczy i oszczędzać energię.

Zastanawiasz się, jaką odległość powinna mieć pompa ciepła od granicy działki? Sprawdź przepisy, aby uniknąć problemów z sąsiadami i cieszyć się komfortem.

Porównaj koszty i efektywność pompy ciepła gruntowej czy powietrznej. Wybierz najlepsze rozwiązanie dla swojego domu i oszczędzaj na eksploatacji.

Wybierz odpowiedni kabel do pompy ciepła 9 kW. Poznaj kluczowe informacje, specyfikacje i najlepsze praktyki, aby zapewnić efektywność systemu.

Zastanawiasz się, jaki fundament pod pompę ciepła wybrać? Sprawdź kluczowe błędy, których unikniesz, aby zapewnić stabilność i trwałość instalacji.

Dowiedz się, jak ustawić pompę ciepła Galmet, aby działała efektywnie. Uniknij najczęstszych błędów i ciesz się optymalnym działaniem swojego systemu grzewczego.

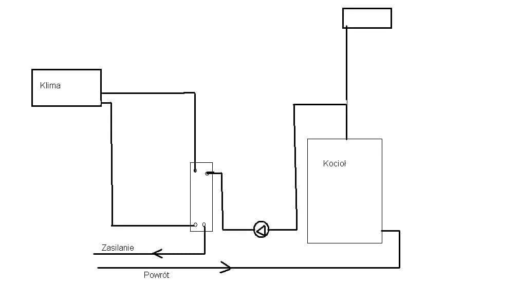
Dowiedz się, jak podłączyć pompę ciepła z piecem węglowym, aby obniżyć koszty ogrzewania i zwiększyć efektywność energetyczną swojego domu.

Zrozum, jak działa pompa ciepła w domu i jakie ma zalety. Dowiedz się, jak efektywnie wykorzystać to ekologiczne rozwiązanie grzewcze.

Zastanawiasz się, co wybrać: gaz czy pompa ciepła w starym domu? Sprawdź, które rozwiązanie jest bardziej opłacalne i efektywne dla Twojego budynku.